按應用分類
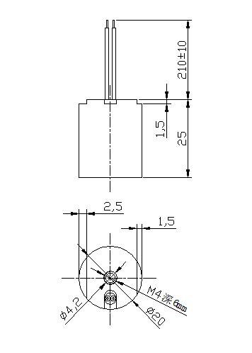
型號:SDL-DYC2025A-12L24
產品使用對象:家用電器,吸塵器
產品執行功能:開關
家用電器開關電永磁吸盤電磁鐵參數
| 電壓: | DC12V | 行程: | 電阻: | 24歐 | 功率: | 6W | |
| 耐溫: | 壽命: | 耐電壓: | 初始力: | 5KG | |||
| 電流: | 0.5A | 通電率: | 10% | 彈簧回力: | 吸力: |
家用電器開關電永磁吸盤電磁鐵產品詳情
家用電器開關電永磁吸盤電磁鐵
型號:SDL-DYC2025A-12L24
參數
電壓:DC12V
電流:0.5A
電阻:24歐
功率:6W
初始力:5KG
通電率:10%
單次通電時間:1S
環境溫度:20度
是否防水:是
產品使用行業:家用電器,吸塵器
產品執行功能:開關
拓展適用行業:機械設備
產品特點:體積小,吸力大。功耗小,電流低。



廣州思德隆電子有限公司(http://www.sdshunyang.cn)創立于2005年,是一家專業生產研發電磁鐵定制加工,電磁閥定制,電磁線圈,小型電磁鐵等各類電磁產品,擁有豐富行業經驗的廣州電磁鐵廠家、廣州電磁閥廠家、電磁線圈廠家。品種多樣,規格齊全,產品從零部件到成品組裝均有自己的加工設備以及產生線,擁有高精密度檢測儀器和自主研發的老化設備,已通過(ISO9001認證)專業制造圓管電磁鐵/紡織機電磁鐵從產品設計到樣品以及量產,均有量化高效的工藝流程及老化實驗檢測,保證了產品的質量與訂單的按時交貨。
關鍵詞:家用電器開關,開關電永磁吸盤電磁鐵,電器開關電磁鐵
| 上一篇:強力電永磁吸盤現貨供應 |
| 下一篇:方形機械手電永吸盤電磁鐵 |






