按應用分類
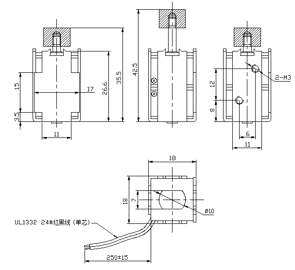
型號:SDL-SBC0726A-24L32
產品使用對象:汽車波箱
產品執行功能:推拉
汽車波箱電磁鐵_波箱推拉式電磁鐵定做參數
| 電壓: | DC24V | 行程: | 7mm | 電阻: | 32歐 | 功率: | |
| 耐溫: | 壽命: | 耐電壓: | 初始力: | ||||
| 電流: | 0.75A | 通電率: | 彈簧回力: | 吸力: |
汽車波箱電磁鐵_波箱推拉式電磁鐵定做產品詳情
汽車波箱電磁鐵_波箱推拉式電磁鐵定做
型號:SDL-SBC0726A-24L32
電壓:DC24V
電流:0.75A
電阻:32歐
行程:7mm
通電率:10%
單次通電時間:1S
產品使用行業:汽車波箱
產品執行功能:推拉
拓展適用行業:透鏡電磁鐵
產品特點:耐高溫。



廣州思德隆電子有限公司(http://www.sdshunyang.cn)創立于2005年,是一家專業生產研發電磁鐵定制加工,電磁閥定制,電磁線圈,小型電磁鐵等各類電磁產品,擁有豐富行業經驗的廣州電磁鐵廠家、廣州電磁閥廠家、電磁線圈廠家。品種多樣,規格齊全,(汽車波箱電磁鐵_波箱推拉式電磁鐵)產品從零部件到成品組裝均有自己的加工設備以及產生線,擁有高精密度檢測儀器和自主研發的老化設備,已通過(ISO9001認證)專業制造汽車波箱電磁鐵_波箱推拉式電磁鐵從產品設計到樣品以及量產,均有量化高效的工藝流程及老化實驗檢測,保證了產品的質量與訂單的按時交貨。
.jpg)
廣州思德隆電磁鐵應用的領域:
1、紡織機械電磁鐵:提花機電磁鐵、編織機電磁鐵、繡花機電磁鐵、毛織機電磁鐵、縫紉機電磁鐵、機械手吸盤電磁鐵、銅帶機電磁鐵等。
2、汽車電磁鐵:汽車大燈電磁鐵、汽車換擋器電磁鐵、汽車剎車電磁閥、汽車波箱用電磁閥、汽車氙氣大燈電磁鐵、汽車伸縮燈電磁鐵、汽車波箱鎖底電磁鐵、汽車后背箱鎖電磁鐵、汽車CDC減震器電磁閥、減震器CDC阻尼閥等。
關鍵詞:汽車波箱電磁鐵,波箱推拉式電磁鐵
| 上一篇:沒有信息了 |
| 下一篇:水閥自動調節信號開關雙保持電磁鐵 |






