| 電壓: | 12 VDC | 行程: | 8mm | 電阻: | 69Ω | 功率: | 2W |
| 耐溫: | 壽命: | 耐電壓: | 初始力: | 70g克服彈簧 | |||
| 電流: | 0.17A | 通電率: | 10% | 彈簧回力: | 吸力: |
推拉式1040框架電磁鐵
關于本產品的一些說明:
1、本產品經過市場檢驗 性能穩定
2、訂單式生產 只有少量庫存
3、可以可根據您的要求定做
SDL-U1040J電磁鐵的應用:
1、游戲機用電磁鐵
2、比較式電磁鐵
3、其它流道分揀、選別用電磁鐵
運動作用方式:推拉式
電壓變化適應范圍:6V~14.4V(低值為啟動電壓)
初始力:70g克服彈簧
設計行程:8mm
單次最長通電時間:1S
產品特點:
1、線圈加大,電壓不穩也可正常工作;
2、彈簧、功率經過加大處理,沒有卡幣現象,聲音清脆;
3、從線圈的銅線用材,到參數設定進行了嚴格的控制,確保了電磁鐵的品質恒定。
4、外形小巧,結構簡潔,安裝連接容易,維護方便的直線運動的電磁鐵;
5、能克服游戲場地電壓不穩造成的投幣困擾問題。



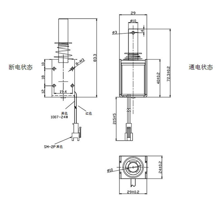
外觀尺寸圖:




使用方法及說明:
通電率對電磁鐵產品非常關鍵,請做了解

廣州思德?。?a href="http://www.sdshunyang.cn/">http://www.sdshunyang.cn/)電磁鐵線圈品種多樣,規格齊全,產品從零部件到成品組裝均有自己的加工設備以及生產線,擁有高精密度檢測儀器和自主研發的老化設備,(游戲機電磁鐵/推拉電磁鐵)從產品設計到樣品以及量產,均有量化高效的工藝流程及老化實驗檢測,保證了產品的質量與訂單的按時交貨。-------本信息由業務部推廣員發布






